返回 电磁锅炉知识
抗疫有我! 深圳普能电气用行动诠释企业担当
荆楚大疫,八方支援,全国人民都积极投身于这场“战疫”中——人民需要什么,五菱就造什么!五菱牌口罩和口罩机应声而生;比亚迪转产口罩、消毒液;中国石化投产口罩生产线。。。。。。越来越多的企业跨界,为打赢这场“战疫”贡献自己的力量。
企业的另类跨界,让国人看到了一个中国企业应有的担当,也成为所有中国企业的典范。抗疫有我!深圳普能电气也在用实际行动诠释一个中国企业的担当,为打赢这场“战疫”贡献自己的力量。
随着目前疫情形势好转,企业复工潮也即将到来,但我们也清楚的认识到,抗疫不到最终胜利,不要放松防控措施。在防控措施中,口罩和额温枪是每个企业抗疫的必备装备,也是目前抗疫最为紧缺的物资,对此,经深圳普能电气高层研究决定,依托公司多年积累的经验和资源,深圳普能电气开辟生产线,集中技术骨干,展开额温枪的技术研发,目前,我公司接受额温枪套料,技术方案支持,额温枪PCBA电子料预定。
深圳普能电气背景
深圳普能电气是一家集研发、生产、销售电磁加热设备为一体的科技创新型企业,公司占地面积9000平方米,注册资金5100万。公司通过了ISO9001、ISO14001、ISO18001、CCC、CE等各项体系认障以及获得产品检测报告等资质证书。公司拥有多名电子电气工程师,同时拥有专业化的电路板生产线,旗下生产的电磁加热器和电磁采暖炉凭借先进的设计方案,其稳定性在行业内有口皆碑。
额温枪普能方案
在公司提出投产额温枪之后,公司工程师们马不停蹄的展开了额温枪的方案设计,结合目前市面上的额温枪技术特点,普能采用了自己的额温枪设计方案,加上知名厂家的配件支持,相比现有产品,在稳定性、准确性等方面更优秀。
额温枪知识拓展
额温枪(红外线测温仪)针对量测人体额温基准设计,使用非常简单、方便。1秒可准确测温,无镭射点,免除对眼睛之潜在伤害,不需接触人体皮肤,避免交叉感染,一键测温,排查流感。适合家庭用户、宾馆、图书馆、大型企事业单位,也可以用于医院、学校、海关、机场等综合性场所,还可以提供给医务人员在诊所使用。

额温枪使用注意事项:
1、量测前请详阅使用说明,且额头处应保持干燥 、头发不得覆盖额头,(请于10℃-40℃的环境中进行量测)以确保量测的准确度。
2、本产品快速测得的额头温度仅供参考,不得做为医疗判断的依据,若发现体温有异常现象,请再使用医疗用体温计做进一步量测。
3、请保护感测镜头并适时清洁。若转换使用环境温度变化过大时,需将本测量器放置于欲测量的环境20分钟,待其稳定适应环境温度后再使用,便可测得更精准之数值。
企业的另类跨界,让国人看到了一个中国企业应有的担当,也成为所有中国企业的典范。抗疫有我!深圳普能电气也在用实际行动诠释一个中国企业的担当,为打赢这场“战疫”贡献自己的力量。
随着目前疫情形势好转,企业复工潮也即将到来,但我们也清楚的认识到,抗疫不到最终胜利,不要放松防控措施。在防控措施中,口罩和额温枪是每个企业抗疫的必备装备,也是目前抗疫最为紧缺的物资,对此,经深圳普能电气高层研究决定,依托公司多年积累的经验和资源,深圳普能电气开辟生产线,集中技术骨干,展开额温枪的技术研发,目前,我公司接受额温枪套料,技术方案支持,额温枪PCBA电子料预定。
深圳普能电气背景深圳普能电气是一家集研发、生产、销售电磁加热设备为一体的科技创新型企业,公司占地面积9000平方米,注册资金5100万。公司通过了ISO9001、ISO14001、ISO18001、CCC、CE等各项体系认障以及获得产品检测报告等资质证书。公司拥有多名电子电气工程师,同时拥有专业化的电路板生产线,旗下生产的电磁加热器和电磁采暖炉凭借先进的设计方案,其稳定性在行业内有口皆碑。
额温枪普能方案在公司提出投产额温枪之后,公司工程师们马不停蹄的展开了额温枪的方案设计,结合目前市面上的额温枪技术特点,普能采用了自己的额温枪设计方案,加上知名厂家的配件支持,相比现有产品,在稳定性、准确性等方面更优秀。
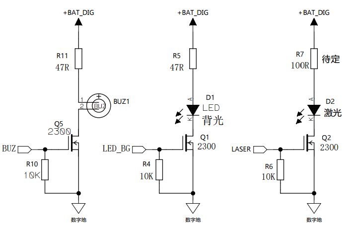
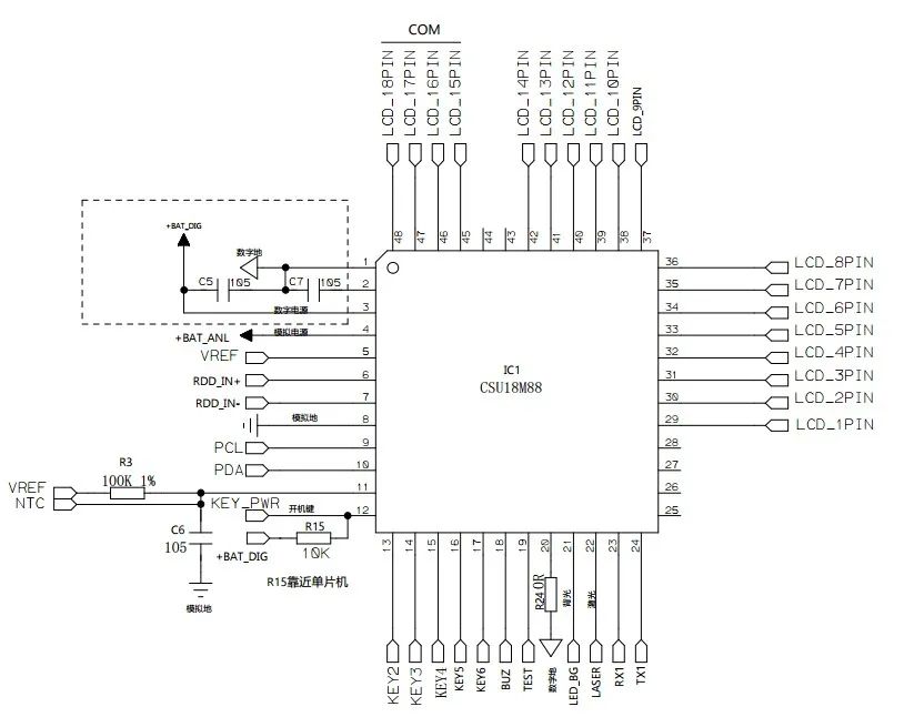
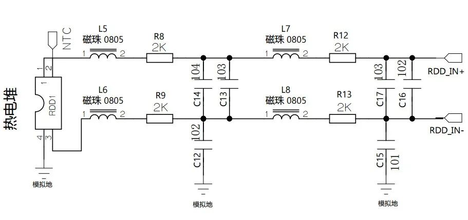
额温枪普能方案
(温度检测电路)
(MCU主控芯片,核心电路)
(3V&9V 干电池供电电路)
背光显示电路
显示、按键电路
额温枪物料清单
额温枪电路板
额温枪成品
额温枪电路板
此次疫情发生以来,深圳普能电气一直关注着发展态势,了解到额温枪出现紧缺的情况下,在申请到复工之后,迅速组织人员,调度物资,设计新型额温枪方案,为额温枪生产企业提供技术、物料支持。经此一疫,我们看到了团结的国人,看到了中国企业的担当,更看到了希望,相信不久之后,我们终将迎来胜利的消息,春暖花开,幸福依旧。额温枪知识拓展
额温枪(红外线测温仪)针对量测人体额温基准设计,使用非常简单、方便。1秒可准确测温,无镭射点,免除对眼睛之潜在伤害,不需接触人体皮肤,避免交叉感染,一键测温,排查流感。适合家庭用户、宾馆、图书馆、大型企事业单位,也可以用于医院、学校、海关、机场等综合性场所,还可以提供给医务人员在诊所使用。

额温枪成品
额温枪工作原理:任何物体在高于绝对零度(-273℃)以上时都会向外发出红外线,额温枪通过传感器接收红外线,得出感应温度数据。
(资料图来自网络)
额温枪使用方法:鼻梁之上,两眼中间部位相对测体表温度来说是最接近正常体温的放射源,把额温枪放于距此5-6cm处测温。精度为+-0。3,不建议做医用,但可做流感快速,非接触安全排查用。报警者可经医院及时确诊而进行防治。额温枪使用注意事项:
1、量测前请详阅使用说明,且额头处应保持干燥 、头发不得覆盖额头,(请于10℃-40℃的环境中进行量测)以确保量测的准确度。
2、本产品快速测得的额头温度仅供参考,不得做为医疗判断的依据,若发现体温有异常现象,请再使用医疗用体温计做进一步量测。
3、请保护感测镜头并适时清洁。若转换使用环境温度变化过大时,需将本测量器放置于欲测量的环境20分钟,待其稳定适应环境温度后再使用,便可测得更精准之数值。
深圳市普能电气技术有限公司 版权所有 Copyright 2016